Product Summary
The PTC1111-01G modular Jack has been specifically designed for implementation of fast Ethernet NIC Application. These modular consist of the isolation transformer. Common mode choke, termination resistors and high voltage capacitor termination to the shield. The PTC1111-01G modular jack provides the system designer the opportunity of reducing pcb space.
Parametrics
Specifications: (1)Inductance @100KHz,100mV *note1: 350 mH min; (2)Insertion loss @1-100MHz: -1.0 dB max ; (3)Return loss @1-30MHz: -16 dB min ; @30-60MHz: Greater than (16-20 log(f/30 MHz)) dB min; @60-80MHz: -10 dB min; (4)Cross talk @1-60MHz: -40 dB min; @60-100MHz: -38 dB min; (5)CMRR(TX/RX) @1-60MHz: -45/-40 dB min; @60-100MHz: -40/-35 dB min; (6)Voltage isolation: 1500 vrms min; (7)Operating temp: 0 to 70 ℃.
Features
Features: (1)For RoHS part add postfix G; (2)Designed for network interface card application; (3)Designed to meet IEEE802.3u requirement; (4)Designed for RoHS process; (5)Available in all turn ratios used by LAN IC manufactures; (6)Primary center taps available for additional EMI reduction; (7)Simplest magnetic component to place and route on PCB; (8)Contains termination resistors magnetic and connector; (9)Conserves PCB space.
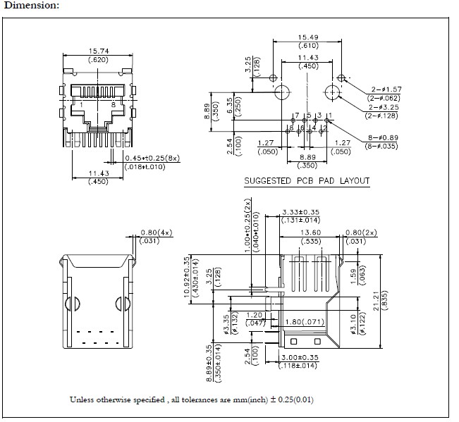
Diagrams

![]() |
![]() PTC10KV11472A-2020 |
![]() Piher |
![]() Trimmer Resistors - Through Hole 10mm 4.7Kohms CERMET |
![]() Data Sheet |
![]()
|
|
||||||||||||
![]() |
![]() PTC10LH01-101A2020 |
![]() Piher |
![]() Trimmer Resistors - Through Hole 100ohms 10mm Rnd |
![]() Data Sheet |
![]()
|
|
||||||||||||
![]() |
![]() PTC10LH01-102A2020 |
![]() Piher |
![]() Trimmer Resistors - Through Hole 1Kohms 10mm Rnd |
![]() Data Sheet |
![]()
|
|
||||||||||||
![]() |
![]() PTC10LH01-103C2020 |
![]() Piher |
![]() Trimmer Resistors - Through Hole 10Kohms 10mm Rnd Audio |
![]() Data Sheet |
![]()
|
|
||||||||||||
![]() |
![]() PTC10LV10-254A2020 |
![]() Piher |
![]() Trimmer Resistors - Through Hole 250Kohms 10mm Rnd |
![]() Data Sheet |
![]()
|
|
||||||||||||
![]() |
![]() PTC10LH01-501A2020 |
![]() Piher |
![]() Trimmer Resistors - Through Hole 500ohms 10mm Rnd |
![]() Data Sheet |
![]()
|
|
||||||||||||
(China (Mainland))








